新闻动态

  • 科威 阀门仪表的维护保养知识

    科威阀门仪表的维护保养知识

    2022-04-13 科威

  • 孔板流量计维修波动

    孔板流量计维修波动

    2022-03-24 科威

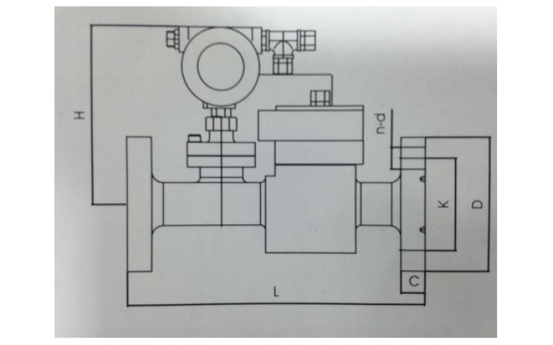
  • 高压流量自控仪

    高压流量自控仪

    2022-03-22 科威

  • LNB500系列靶式流量计的流量公式及注意事项

    靶式流量计的选型须经计算,把实际流量转换成等量标准水的流量,然后按照选型表选择合适的尺寸及型号。

    2021-05-19 科威

  • HYT-300系列热式气体质量流量计原理及优缺点

    HYT-300系列热式气体质量流量计,通过测量气体流经流量计内加热元件时的冷却效应来计量气体流量的。气体通过的测量段内有两个热阻元件,其中一个作为温度检测,另一个作为加热器。温度传感元件用于检测气体温度,加热器则通过改变电流来保持其温度与被测气体的温度之间有一个恒定的温度差。当气体流速增加,冷却效应越大,使须保持热电阻间恒温的电流也越大。此热传递正比于气体质量流量,即供给电流与气体质量流量有一对应的函数关系来反映气体的流量。

    2018-01-01 科威

上一页123下一页 转至第
首页
产品
新闻
联系