水泵电机电流的速算经验分享-KWZK科威电气
2022-05-23 科威电气
KWBPQ系列变频器常见故障分析知识分享
三相KW20电动阀改两相KW20电动阀接线方法知识
2022-05-07 科威阀门
轧线电动阀门的接线原理
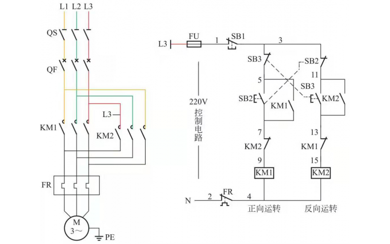
电机双重联锁正反转控制知识分享
2022-04-28 科威电气
合上控制回路熔断器FU,电路具备启停条件。电动机主回路中增加了过载保护(热继电器FR)。电动机过载时,热继电器FR动作,FR的动断触点断开,接触器KM断电释放,KM的三个主触点同时断开,电动机断电停止运转。
2022-04-16 kwzk科威自控
20号风机报电网掉电,检修班组开具工作票后前往20号风机现场。
为保证安全可靠、优质和经济合理的用电,做好用电设备的维护,故障处理及检修是十分重要的。着重介绍电动机和配电线路的检修与维护。
2022-04-13 科威