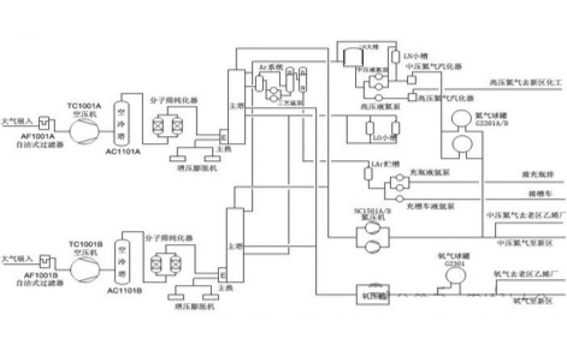
公用工程联合车间空分装置B套空冷塔液位LICS01-1B在1分钟内由1336mm降到1131mm,19:21:47液位开始慢慢下降,最低降至 661mm。
2024-10-23 科威
车间净酸性气燃烧炉、尾气焚烧炉联锁动作,酸性气放火炬。6:43 内操岗位将酸性气燃烧炉联锁报警条件改旁路,点击联锁复位恢复联锁投用,燃烧炉和尾气焚烧炉正常状态,调整作 6:58 生产恢复正常。
2024-10-21 科威
时渣油四班内操发现K101电流由204A突然一分钟内下降至26A,K101四级出口压力和一系列系统压力缓慢下降。此时K101各级负荷显示“一级 51%,二级 56%,二级 61%.四级 63%”,未见异常,级间返回阀未见异常动作;K101机组电机正常运转,未见异常声音,现场电流20A,但压缩机机体不做功。
2024-10-21 科威
仪表的防爆比电气防爆更容易疏忽,因为仪表太小,而且有些仪表是否是防爆的也不好判断,但是危险程度和电气是一样的。一般来说,仪表的防爆类型主要是本安型和隔爆型,安装在防爆区域的PLC控制柜大部分为隔爆型或者正压防爆型。
2024-10-18 科威
该设备入口蝶阀SV-20在运行过程中,阀位逐渐关小到5%,操作工给开阀信号,阀门没响应。现场检查发现,油泵处于停止状态,备用油泵没有起来,手动开泵后,压力仍然到达不了正常工作压力(16mpa),操作工紧急切换到手动液压操作逐步打开阀门,避免了一起设备入口快切阀关小影响装置生产的事件。
2024-10-18 科威